怎样测量3极管好坏 万用表检测三极管的简单方法(3)

三极管的型号图

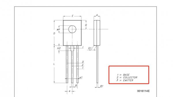
采芯网BD136三极管Datasheet截图
3、根据外观来辨别三极管的管脚
塑料封装三极管辨别管脚
S-1(S-1A、S-1B)型都有半圆形底面,识别时,将引脚朝下,切口面朝向自己,此时三极管的引脚从左向右依次为e、b、c。

s-1三极管辨别管脚图
S-2型为顶面有切角的块状外形,识别时,将引脚朝下,切角朝向自己,此时三极管的引脚从左向右依次为e、b、c。
相关阅读
-
品牌水杯十大名牌排名 实用好看的十大品牌杯子推荐
如果想了解品牌水杯十大名牌排名方面的内容,接下来常识社小编为大家介绍。 将会介绍到的杯子品牌: Drink in the Box Monbento水杯 NUOC水杯 韩国乐扣乐扣 Kinto日本家居品牌 Joseph Joseph THERMOS膳魔
-
为什么82年的拉菲最贵 为什么都说82年的拉菲最好
常识社网小编为你介绍为什么都说82年的拉菲最好和为什么82年的拉菲最贵的相关知识,接下来常识社网小编就来介绍。 受商品竞争、收藏价值等因素的影响,正宗拉菲的价格每年都会波动。
-
早上好立冬文案短句 立冬的文案句子
今天介绍早上好立冬文案短句方面的介绍,一起来了解了解吧。 立冬到,问个好,愿你心情好,快乐幸福没烦恼,愿你精神好,舒心顺心更开心,愿你身体好,平安如意身体健,愿你生活好,
-
家长送给老师最实用的礼物 这几种礼物不费钱老师也不为难
正文核心导读:这几种礼物不费钱老师也不为难和家长送给老师最实用的礼物的小经验,接下来小编为您详细解答 教师节给老师送这几种礼物,既不费钱,老师也不为难,还特显心意! 教师是


