浪涌保护器的作用是什么 浪涌保护器的工作原理介绍
跟大家分享浪涌保护器的工作原理介绍和浪涌保护器的作用是什么的生活小知识,相关内容具体如下:
对于家装改造电路来说,我们会考虑在室内配电箱内安装各种各样的保护开关。像传统家庭配电箱内所安装的开关,其实基本上就是空气开关和漏电保护开关。
但是也有些朋友考虑安装另外一种开关,就是浪涌保护开关,也就是浪涌保护器。其实现在很多新房子在建造的时候,在电路的保护系统中都是安装有浪涌保护器。
那么浪涌保护器到底有没有作用呢?在这篇文章中,家居杂坛就来给大家解答浪涌保护器的作用和原理的问题。

(一):浪涌保护器的作用原理
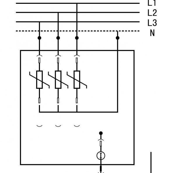
对于浪永保护器,我们首先应该了解具体的工作的原理。浪涌保护器,其实也就是一种防雷器,所以浪涌保护器也称之为防雷器。
浪涌保护器是一种广泛的应用于带有电子设备,仪器仪表,通讯线路等电路中的一种安全防护的电子装置,所以它本身是一种防护的电子装置。而其具体的作用原理,个人总结一下,主要是包括以下四点来实现浪涌保护器的作用。

①、作用原理的本质。
浪涌保护器是安装在整个电路系统中的,它的英文简写就是spd。所以说,浪涌保护器实现的是整个电路系统中,保护下口部位的设备设施。
此时所能实现的作用原理就是把进入到电路系统中的瞬时的固定电压,也就是高压进行限制。此时作用就是降压,将高压降低,从而保护其所保护的仪表和设备不受损坏。
②、作用过程。
无论我们采用的是哪一种类型的浪涌保护器,它的内部都包含一个非线性电压限制元件。这个线性电压限制元件就是浪涌保护器最重要的一个原件。
像常用于浪涌保护器的基本元件都有放电间隙,充气放电管,压敏电阻,二极管和二流线圈等,通过这些组成了一整套的保护器,然后实现对电路电压的保护。

③、动作过程
像常见的电源浪涌保护器,一般是并联安装在一个供电的系统中。当夏季产生雷电的时候,这时可能会在供电线路上采用出超高压或者是过电流。
而浪涌保护器一般安装有性能非常好的压敏电阻,压敏电阻感应到这些电压或者是超电流以后,就会立即动作。动作的过程就是将超高压或者是过电流迅速分流导入大地,这样就可以避免这些超高压或者是超电流进入电路系统中,而是顺着浪涌保护器接入大地,保证了系统的正常。
④、不同类型浪涌保护器的工作原理。
第一种就是开关型,它的工作原理就是当有瞬时过电压时,呈现为高阻性。一旦高电压瞬时过电压时,其阻抗就突变为低值,这样可以让雷电电流通过,以此来保护电路。
第二种类型我们称之为限压型。它的工作原理就是有瞬时过电压时为高阻扰。但随着电流和电压的增加,其阻抗不断地减小。这时它的电流电压特性为非线性。
第三种类型就是分流型或者是扼流型。像我们所说的分流型是和被保护的设备并联,对雷电脉冲表现出低阻抗,而对正常工作频率表现出高阻抗。而另外一种扼流型属于被保护的设备串联。对雷电脉冲一直表现为高阻抗,而对正常的工作频率表现为低阻抗。
相关阅读
-
狱警工资一般多少钱一个月 狱警报考的条件要求及流程
跟大家说一说狱警报考的条件要求及流程和狱警工资一般多少钱一个月的生活小知识,下面为详细的介绍。 狱警作为特殊公务员,有普通公务员比不了的好处,也有身在其中才知道的苦楚。
-
网格员和社区工作者待遇差别 两个岗位工作内容及收入区别
小编带来的是两个岗位工作内容及收入区别和网格员和社区工作者待遇差别的知识内容,具体详情如下: 距离2022届大学生毕业只有3个多月的时间,经预测今年高校应届毕业生将首次突破1000万
-
正科级退休工资大概多少钱 一般正科级退休金每月多少工资
全面为您解析一般正科级退休金每月多少工资和正科级退休工资大概多少钱的介绍,继续往下看吧! 公务员的众多福利中,包含了退休金这一项。在以往,公务员退休金是按照退休前工资来算
-
摆地摊需要准备什么东西好卖 新手摆摊卖水果小本生意经验
全面为您解析摆地摊需要准备什么东西好卖方面的内容,接下来一起来看看吧。 摆摊经验第一篇:新手如何摆摊卖水果,需要准备哪些工作? 不少朋友表示自己有摆摊卖水果的想法,就是不知


