电容器的作用功能有哪些 电容器在生活中的三大应用
正文核心介绍:电容器在生活中的三大应用和电容器的作用功能有哪些的相关话题。
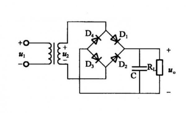
电容器共有三大主要作用:
1、储能
避免电源的扰动对负载造成影响;“应急储备”,避免因负载的波动导致电源的波动(远水不解近渴,负载就近“电容储能”,无需“事事请示中央”,请求调拨能源)


2、滤波
何谓滤波?类比生活中的例子:口罩、净水器滤芯、空气净化器的滤芯;所谓滤波即滤除杂波,保留所需的有用信号。
滤波的原理:选择性通过(选择性地使得有用信号(某个频段)通过;滤除无用的噪音与其它无用的频段);电容对电压波动(即交流)敏感(“隔直通交”;噪音、波动均为“交流”,可通过电容)

3、隔直
电容串联于信号线之中(音频电路之音频输入;串行通讯电路之信号输入);利用电容“隔直通交”的原理(仅允许(有用的)交流信号通过;隔离直流信号(使得电路正常工作的偏置电压))
相关阅读
-
为什么82年的拉菲最贵 为什么都说82年的拉菲最好
常识社网小编为你介绍为什么都说82年的拉菲最好和为什么82年的拉菲最贵的相关知识,接下来常识社网小编就来介绍。 受商品竞争、收藏价值等因素的影响,正宗拉菲的价格每年都会波动。
-
早上好立冬文案短句 立冬的文案句子
今天介绍早上好立冬文案短句方面的介绍,一起来了解了解吧。 立冬到,问个好,愿你心情好,快乐幸福没烦恼,愿你精神好,舒心顺心更开心,愿你身体好,平安如意身体健,愿你生活好,
-
品牌水杯十大名牌排名 实用好看的十大品牌杯子推荐
如果想了解品牌水杯十大名牌排名方面的内容,接下来常识社小编为大家介绍。 将会介绍到的杯子品牌: Drink in the Box Monbento水杯 NUOC水杯 韩国乐扣乐扣 Kinto日本家居品牌 Joseph Joseph THERMOS膳魔
-
家长送给老师最实用的礼物 这几种礼物不费钱老师也不为难
正文核心导读:这几种礼物不费钱老师也不为难和家长送给老师最实用的礼物的小经验,接下来小编为您详细解答 教师节给老师送这几种礼物,既不费钱,老师也不为难,还特显心意! 教师是


